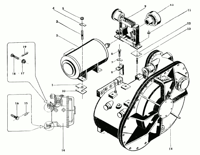
|
3519.05.04.000
для ЭКГ-10
| Номер |
Наименование |
№ чертежа |
Кол-во |
Вес, кг |
| 1 |
Прокладка |
3519.05.05.008 |
4 |
|
| 2 |
Электродвигатель ДПЭ-52 |
|
1 |
860 |
| 3 |
Шпилька М30-8gх75.46 |
1.1215.085 |
4 |
|
| 4 |
Шайба 36.04 |
1.1600.269 |
4 |
|
| 5 |
Гайка М30-6Н.5 |
207020161 |
4 |
|
| 6 |
Болт М24-6gх60.48 |
206011061 |
1 |
|
| 7 |
Шайба 24.04 |
1.1600.267 |
1 |
|
| 8 |
Клин |
3519.05.05.003 |
1 |
4 |
| 9 |
Тормоз ТКП-300 |
114.0009 |
1 |
94,5 |
| 10 |
Муфта |
3519.05.06.000 |
1 |
35 |
| 11 |
Гайка М20-6Н.5 |
207020121 |
8 |
|
| 12 |
Прокладка (жесть черная) |
3519.05.05.006 |
16 |
|
| 13 |
Шпилька М20-8gх50.46 |
1.1215.050 |
4 |
|
| 14 |
Редуктор ходового механизма левый |
3519.05.11.000 |
1 |
5180 |
| 14а |
Редуктор ходового механизма правый |
3519.05.10.000 |
1 |
5180 |
| 15 |
Проволока 3,0-О-С |
194010201 |
1 м |
|
| 16 |
Болт 3М42-6gх110.46 |
1.1000.243 |
3 |
1,88 |
| 17 |
Гайка 2М42-6Н.5 |
1.1531.067 |
5 |
|
| 18 |
Болт М42-6gх170.56 |
1.1000.219 |
5 |
2,53 |
| 19 |
Шплинт 8х80 |
211011271 |
5 |
|
| 20 |
Прокладка (жесть) |
3519.05.05.007 |
32 |
|
|
 |
 |